コンテンツへスキップ ナビゲーションに移動

JAきみつ

  • JAきみつの概要ABOUT
    • ごあいさつ
    • 経営理念・経営方針
    • 組織の概要
    • 組合員組織
    • 組織機構図
    • ディスクロージャー誌
    • JA自己改革
    • あなたも組合員になりませんか?
    • 重要なお知らせ
  • 食と農AGRICULTURE
    • 営農情報
    • JAきみつの農畜産物
    • くらし
      • 直売所
    • レシピ
    • 旬カレンダー
  • JAバンクJA BANK
    • 移動金融店舗車 運行中!
    • 借りる
      • JAアグリローン
      • JA住宅ローン
      • JAリフォームローン
      • JAマイカーローン
      • JAフリーローン
      • JA多目的ローン
      • JA教育ローン
      • JAカードローン
    • 貯める・増やす
    • 貯金利率表
    • 年金友の会/知人囲会
    • 金融店舗・ATM一覧
    • 信用事業手数料一覧
    • JAカード/キャッシュカード
    • 農中信託銀行の遺言信託
    • 定型約款
  • JA共済JA KYOSAI
  • 事業所一覧OFFICE
    • 直売所
    • 金融店舗・ATM一覧
    • 経済センター一覧
    • 農機センター一覧
    • ガソリンスタンド・LPガス
    • 介護センター
    • 自動車整備工場
    • 葬祭センター
    • 不動産センター
  • 広報・動画・コラムMIZUKI
    • 広報誌「みずき」
    • 関連動画
  • 採用情報RECRUIT
    • 2026年春新卒者 正職員募集
    • 在学生向け 仕事体験・説明会
    • 中途職員採用募集

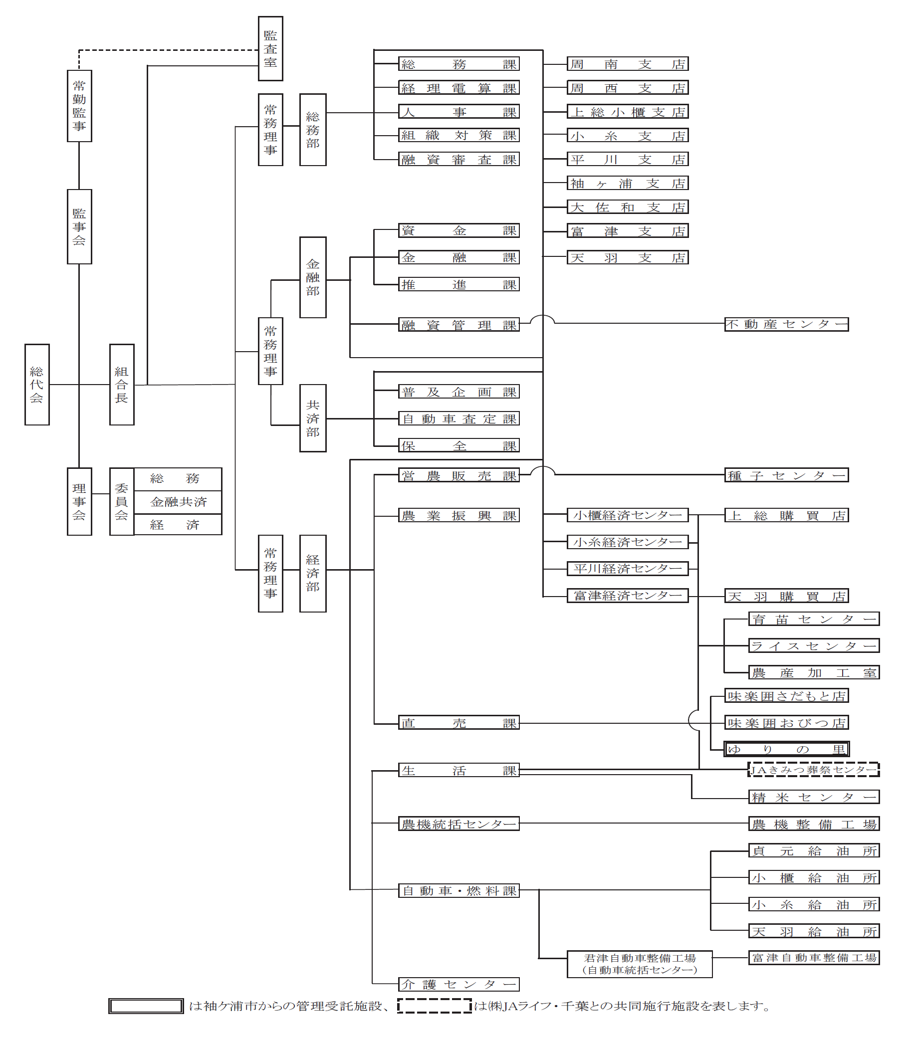
組織機構図

  1. HOME
  2. JAきみつの概要
  3. 組織機構図

友だち追加

ja_kimitu

千葉県 君津市・富津市・袖ケ浦市を管内とする農業協同組合です。JAきみつのイベントや活動を発信していきます♪

【女性部 ふくろうのお守りづくり🦉】 女性部は本店でふくろうのお守りづくりを行いました✨ この活動 【女性部 ふくろうのお守りづくり🦉】

女性部は本店でふくろうのお守りづくりを行いました✨
この活動は2012年からはじまり、地域の子どもたちの交通安全と健やかな成長を願って、2015年から新小学1年生に贈呈しています。
今後、2月の贈呈に向けお守りの祈祷を行う予定です!

#JAきみつ #ふくろうのお守り #女性部
【令和8年度信用共済事業進発式】 進発式が袖ケ浦市民会館で行なわれ、農林中央金庫千葉支店、全共連千 【令和8年度信用共済事業進発式】

進発式が袖ケ浦市民会館で行なわれ、農林中央金庫千葉支店、全共連千葉県本部、JA役職員が参加しました。「複合渉外体制」で組合員・次世代・次々世代層と寄りそい、ニーズにあった提案型推進活動を実践します!

#JAきみつ
【移動金融店舗車 1/9より稼働場所追加】 移動金融店舗車は、1月9日より「亀山駅前交流広場」「上 【移動金融店舗車 1/9より稼働場所追加】

移動金融店舗車は、1月9日より「亀山駅前交流広場」「上総購買店」で運行を始めました!
今までの富津、君津清和地区で運行していましたが、これから金曜日は上記2カ所で運行します。
移動金融店舗車は、金融店舗の窓口機能と地場産の農畜産物を販売しています。

#JAきみつ
#移動金融店舗車
【五穀豊穣と安全を祈願 平川経済センターで蔵開き】 管内で生産した農産物を保管する低温倉庫の前に 【五穀豊穣と安全を祈願 平川経済センターで蔵開き】 

管内で生産した農産物を保管する低温倉庫の前に神棚を設け神事を行いました。宮司が祝詞を奏上した後、江澤組合長らが神棚に玉串をささげ農産物の豊作や農作業時の安全を祈願しました。
 #JA #JAきみつ #国消国産 #蔵開き #袖ケ浦
【2026年 カラー初出荷】 小糸花卉園芸組合カラー部が初出荷を行い、ウエディングマーチやアクア 【2026年 カラー初出荷】

 小糸花卉園芸組合カラー部が初出荷を行い、ウエディングマーチやアクアホワイト、ブリリアント・ベルなどを出荷しました!特産花き「カラー」を皆さまへお届けします♪ 
#JA 
#JAきみつ
#君津
#カラー
【本年もJAきみつをどうぞよろしくお願いします】 あけましておめでとうございます。 子どもたちの世 【本年もJAきみつをどうぞよろしくお願いします】

あけましておめでとうございます。
子どもたちの世代に「食」の安心をつなげていくために、今年も「国消国産」に取り組んでまいります!
キティちゃんも「国消国産」を応援してくれています!
合言葉は、「いっしょに、国消国産!」
今日も食卓に国産食材を取り入れて、農家さんを応援しよう♪

#JAきみつ #笑味ちゃんハローキティ #笑味ちゃん #ハローキティ #国消国産 
#いっしょに国消国産 #みんなのよい食プロジェクト #JA #JAグループ
Instagram でフォロー

味楽囲おびつ店Facebook

Facebook page

味楽囲さだもと店Facebook

Facebook page

ゆりの里Facebook

Facebook page

JAきみつの概要

  • ごあいさつ
  • 経営理念・経営方針
  • 組織の概要
  • 組合員組織
  • 組織機構図
  • ディスクロージャー誌
  • あなたも組合員になりませんか?
  • JA自己改革
    • JAらしい「暮らし応援活動」の充実
    • 園芸作物の生産による所得の増大
    • 地域ふれあい活動の実施
    • 新規園芸品目の導入促進
    • 次代の地域社会を担う女性リーダーの育成
    • 農業労働力支援の実施
    • 農産物直売所の魅力向上
  • 重要なお知らせ
    • 出資証券ペーパーレス化のご案内
    • 店舗再編のお知らせ(2022.11.19)
    • 店舗再編のお知らせ(2023.02.17)
    • 店舗再編のお知らせ(2023.07.18)
    • 店舗再編のお知らせ(2025.12.19)
    • 経済施設再編のお知らせ(2023.01)
    • 自動車・燃料課 事務所移転について(2023.03.13)
    • 未利用口座管理手数料の導入について
    • ATMコーナー廃止のお知らせ
  • 方針・公示事項等
  • サイトマップ
  • リンク
  • お問い合わせ

君津市農業協同組合(JAきみつ)

jakimitu_heder

【本店】
〒292-1147
千葉県君津市塚原185
TEL:0439-70-1331
FAX:0439-32-5671

登録金融機関 君津市農業協同組合
登録番号 関東財務局長(登金)第364号

Copyright © JAきみつ All Rights Reserved.

Powered by WordPress with Lightning Theme & VK All in One Expansion Unit

MENU
  • JAきみつの概要
    • ごあいさつ
    • 経営理念・経営方針
    • 組織の概要
    • 組合員組織
    • 組織機構図
    • ディスクロージャー誌
    • JA自己改革
    • あなたも組合員になりませんか?
    • 重要なお知らせ
  • 食と農
    • 営農情報
    • JAきみつの農畜産物
    • くらし
      • 直売所
    • レシピ
    • 旬カレンダー
  • JAバンク
    • 移動金融店舗車 運行中!
    • 借りる
      • JAアグリローン
      • JA住宅ローン
      • JAリフォームローン
      • JAマイカーローン
      • JAフリーローン
      • JA多目的ローン
      • JA教育ローン
      • JAカードローン
    • 貯める・増やす
    • 貯金利率表
    • 年金友の会/知人囲会
    • 金融店舗・ATM一覧
    • 信用事業手数料一覧
    • JAカード/キャッシュカード
    • 農中信託銀行の遺言信託
    • 定型約款
  • JA共済
  • 事業所一覧
    • 直売所
    • 金融店舗・ATM一覧
    • 経済センター一覧
    • 農機センター一覧
    • ガソリンスタンド・LPガス
    • 介護センター
    • 自動車整備工場
    • 葬祭センター
    • 不動産センター
  • 広報・動画・コラム
    • 広報誌「みずき」
    • 関連動画
  • 採用情報
    • 2026年春新卒者 正職員募集
    • 在学生向け 仕事体験・説明会
    • 中途職員採用募集
PAGE TOP